เคยไหม เมื่อซื้อวงจรบาลานซ์อินพุตไปแล้ว บางทีก็อยากได้สวิตซ์หลังแท่นแบบ ฺBridge Mono บางทีนึกเปลี่ยนใจอยากได้ โหมด Parallel เมื่อสวิตซ์หลังแท่นมีตัวเดียว จะดีไหมถ้าเราสามารถเลือกได้ว่าสวิตซ์หลังแท่น จะเป็นอะไรก็ได้ ทั้ง Bridge Mono และ Parallel เพียงเซ็ตค่าที่ Jumper ง่ายๆ ไม่ต้องซื้อบอร์ดบาลานซ์ตัวใหม่ ไม่ต้องเสียเวลารื้อเดินสายใหม่
BAL-02 ออกแบบมาตอบโจทย์นี้โดยเฉพาะ ฟังก์ชั่นที่จะมาอำนวยความสะดวกนักประกอบแอมป์ และ ตอบโจทย์กับแท่นบ้านหม้อทั่วๆไปได้อย่างดี ฟังก์ชั่นการใช้งานเยี่ยม ปรับอัตราขยายง่าย ออกแบบมาให้สามารถรองรับคุณภาพสัญญาณได้แรงถึง +22dBu เสียงจึงดีกว่าชัดกว่า

คุณสมบัติของ BAL-02
-วงจรสเตอริโอบาลานซ์อินพุตและบริดจ์โมดูลในชุดเดียวกัน
-อินพุตอิมพีแดนซ์ 36K Balance 18K Unbalance
-ใช้ไฟเลี้ยง +/-12VDC ถึง +/-18VDC
-อัตราขยาย 0dB/3.5dB/6dB สามารถปรับค่าด้วยตัวต้านทานบนบอร์ด 3 จุด
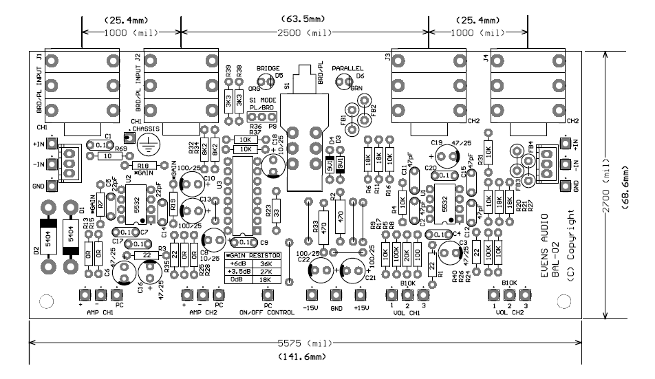
-ขนาด 145 * 70 mm
-ระยะห่างของอินพุตแจ็กโฟน ตามมาตรฐานแท่นในท้องตลาดทั่วไป
- มี LED แสดง สถาณะโหมด Bridge และ Parallel
-ออกแบบมาให้สามารถรองรับความแรงสัญญาณได้สูงถึง +22dBu
-มีอุปกรณ์ Ground Lift บนบอร์ด



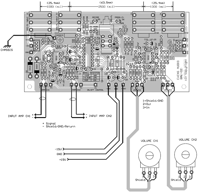
แนวทางการเดินสายไฟ

ตำแหน่งของตัวต้านทานที่กำหนดอัตราขยาย
ขนาดของบอร์ด (Size)
