คุณให้ความสำคัญของการแสดงผล หน้าแท่นเพาเวอร์แอมป์ แค่ไหน???
วงจรแสดงผลที่มีอยู่ทั่วไปในตลาดส่วนใหญ่ไม่สามารถแสดงผลการ Clip ของสัญญาณเสียงที่ออกไปลำโพงได้อย่างแม่นยำ เพราะ การ Clip ของสัญญาณเสียง แปรไปตามแหล่งจ่ายไฟที่อาจมีตกและเปลี่ยนแปลงได้ แต่ DP-04 ตัวนี้ Evens Audio ออกแบบให้วงจร ใช้ไฟเลี้ยงเพาเวอร์แอมป์มาเทียบกับสัญญาณเสียงที่ขั้วลำโพง ทำให้การแสดงผล Clip ถูกต้องแม่นยำทุกช่วงเวลา เอาไปใช้ได้เพาเวอร์แอมป์ทุกระดับแรงดันแหล่งจ่ายไฟ สะดวกไม่ต้องหาแหล่งจ่ายไฟเพิ่ม และที่สำคัญต่อสายเข้าบอร์ดเพียงแชนแนลละ 3 เส้น แยก +V และ GND แต่ละแชนแนลออกจากกัน เพราะป้องกันกราวด์ลูป และเพาเวอร์แอมป์ที่ใช้แหล่งจ่ายไฟแยกซ้ายขวาอิสระจะได้เอาไปใช้ได้ทันที
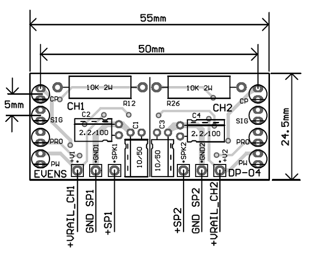
DP-04 วงจรแสดงผล LED หน้าแท่นแอมป์
CLIP (สีส้ม)
SIGNAL (สีเขียว)
PROTECT (สีแดง)
POWER (สีน้ำเงิน)
ค่าR-Dorp ที่เหมาะสม ปกติใส่แถมให้ 10k 2W
(ต้องเปลี่ยนตามแรงดันไฟเลี้ยงเพาเวอร์แอมป์)
+/-50Vถึง +/-60V ใช้ 3.3k-3.9k2W
+/-70Vถึง +/-80V ใช้ 4.7k-5.6k2W
+/-90Vถึง +/-100V ใช้ 8.2k-10k2W
+/-110Vถึง +/-120V ใช้ 10k-12k2W
+/-130Vถึง +/-140V ใช้ 15k-22k2W
+/-150Vถึง +/-160V ใช้ 22k-27k2W

มีความแม่นยำในการแสดงผลการ CLIP
ต่อสายไฟเพียง 3 เส้น/ข้าง คือ
+VRAIL ไฟเลี้ยงแรงดันสูงขั้ว + ที่จ่ายให้เพาเวอร์แอมป์
GND กราวด์ ของขั้วลำโพง
SP สาย + ของขั้วลำโพง

วงจร DP-04 และการปรับแต่ง
