โครงงาน C-320 ตอน2
โดย Mr.K
หลังจากที่ได้นำเสนอในส่วนของวงจร และผลการซิมมูเลชั่นไปแล้ว บัดนี้โครงงาน C320 Current Feedback Amplifier ก็ได้เวลาสู่ขั้นตอนการลงมือสร้างกันเสียที จากที่หลายๆท่านรอคอยมานาน รับรองว่าคุณภาพเสียงไม่ผิดหวัง ด้วยเทคโนโลยี Current Feedback เป็นตัวการันตรี

รูปที่1 ต้นแบบโครงงาน C320
ก่อนที่จะตัดสินใจทำโครงงานนี้ผมได้ใช้เวลาสืบค้นข้อมูลและตามอ่านรีวิว เพาเวอร์แอมป์ NAD C320 ตามอินเตอร์เน็ทมาพอสมควรเนื่องจากยังไม่เคยฟังเสียงตัวจริงของ C320 มีบุกคลิกแบบไหน เมื่อสืบมาแล้วหลายๆความเห็นจากคนฟังเพาเวอร์แอมป์ตัวนี้ให้คุณภาพเสียงคุ้มราคา หลายความเห็นให้คะแนนสูงกว่ารุ่นที่กำลังสูงกว่าในซีรี่ส์เดียวกันด้วยซ้ำ บางคนให้ความเห็นว่าบุคลิกเสียงไม่โดนเด่นไปทางใดทางหนึ่ง บางคนก็เห็นว่าเป็นบุคลิกเสียงที่ดีทำให้ฟังเพลงได้นานๆโดยไม่รู้สึกเบื่อ ซึ่งก็ล้วนเป็นความเห็นส่วนหนึ่งที่ต่างทัศนะต่างความเห็นกัน แต่เนื่องจากผลของการซิมมูเลทจากโปรแกรม OrCad ให้ผลการทำงานที่ออกมาดีกว่าหลายๆวงจรที่ผมเคยรู้จัก แล้ววงจรขยายเสียงลักษณะนี้จะให้เสียงออกมาจะดีเหมือนกับคุณสมบัติจากผลการซิมมูเลชั่นในโปรแกรมหรือไม่ แต่ผมก็ไม่ได้คาดหวังว่าโครงงานนี้จะให้บุคลิกเสียงเดียวกันกับ C320 ต้นฉบับของ NAD เพราะการเลือกใช้อุปกรณ์ในโครงงานนี้หลายส่วนมีความแตกต่างกันมาก

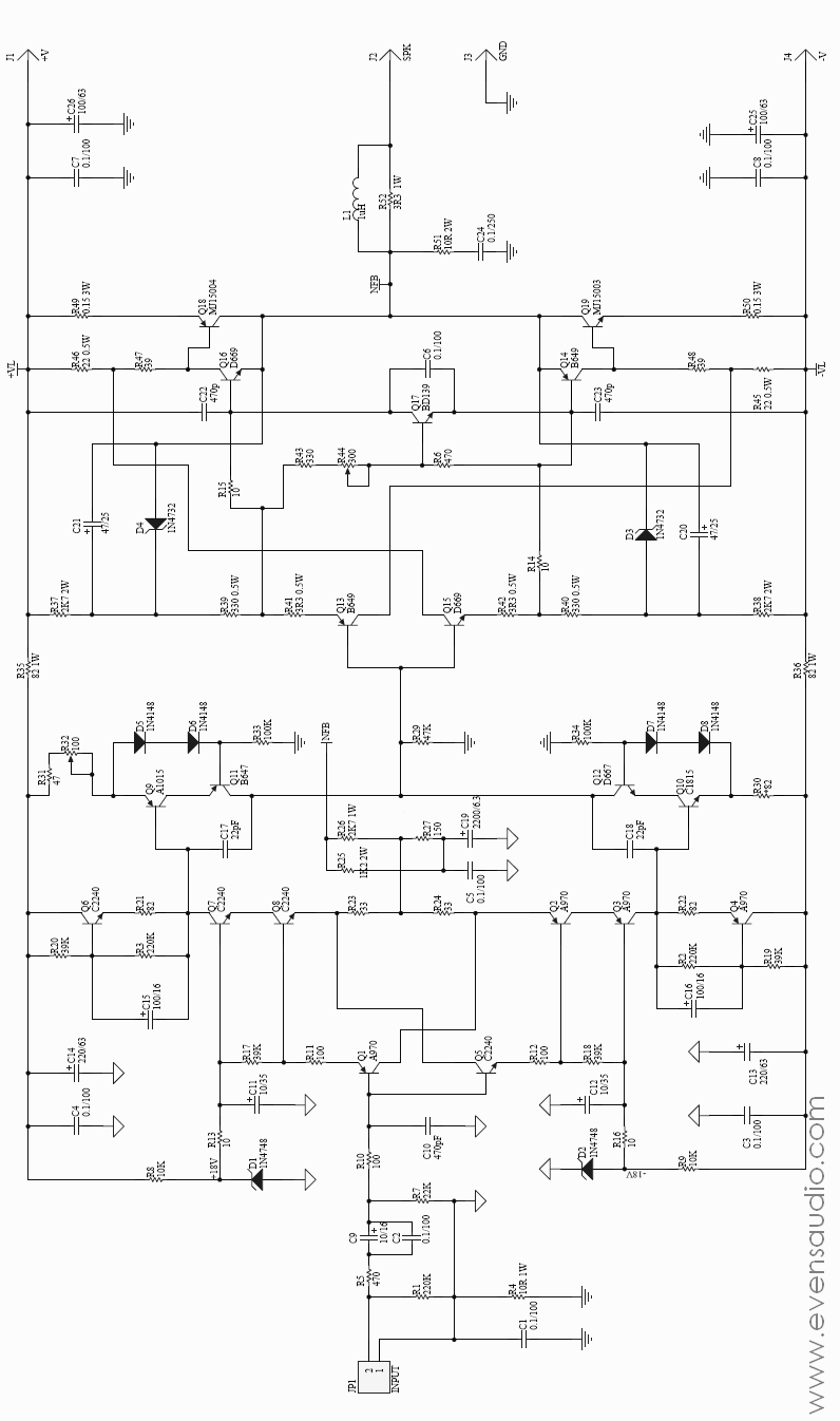
รูปที่ 2 วงจรเพาเวอร์แอมป์ ที่ใช้ในโครงงานนี้
การทำงานของวงจร
ทีแรกผมตั้งใจว่าจะไม่เขียนอธิบายการทำงานของวงจรเพราะหลายส่วนนำมาเขียนอธิบายได้ค่อนข้างยาก เพราะมีเนื้อหาส่วนของทฤษฎีที่มีสมการและตัวเลขค่อนข้างมาก จึงขออธิบายเฉพาะการทำงานแบบคร่าวๆก็พอนะครับ
จากรูปที่2 สัญญาณเสียงจากแหล่งจ่ายสัญญาณ หรือปรีแอมป์จะถูกส่งผ่าน R5,C9,C2 และ R10 โดยมี R1 และ R7 ทำหน้าที่เป็นไบอัสกระแสของภาคขยายภาคแรก และช่วยกำหนดอิมพีแดนซ์ทางด้านอินพุตของวงจรขยาย C10 ทำหน้าที่กรองสัญญาณความถี่สูงเกินออกไปจากระบบ C1 และ R4 ทำหน้าที่เป็น Ground break แยก Signal Ground ออกจาก Power Ground ป้องกันการเกิดกราวด์ลูป สัญญาณเสียงเข้ามายังขา B ของ Q1 และ Q5 ทำหน้าที่เป็น Input Buffer ที่มีอิมพีแดนซ์สูงและมีอัตราขยายเท่ากับ1 สัญญาณแบบไม่กลับเฟสจะส่งออกทางขาอีมิเตอร์ผ่าน R11 และ R12 ไปยังขา B ของ Q8 และ Q2 โดยมี R17และR18 ทำหน้าที่ไบอัส ในวงจรส่วนนี้มี Q7และQ3 ทำงานร่วมด้วยเป็นลักษณะของวงจรขยายสัญญาณแบบคาสโคด มีแรงดันอ้างอิงที่ขา B ของ Q7,Q3 ประมาณ 18V ซึ่งเกิดจาก R8,R9,R13,R16,D1และD2 ต่อเป็นวงจรเร็กกูเลเตอร์แบบขนาน และมี C11และC12 กรองริปเปิ้ลให้แรงดันมีความเรียบยิ่งขึ้น ทางด้านเอาต์พุตแบบกลับเฟสของวงจรขยายบัฟเฟอร์ภาคแรก ถูกส่งออกทางขา C ของ Q7 และ Q3 ไปยังภาคขยายแรงดันโดยมีวงจรแหล่งจ่ากระแสคงที่ประมาณ 1mA ทำหน้าที่เป็นแอกทีฟโหลด ประกอบไปด้วย Q6,R3,R20,R21และ C15 ทำงานในฝั่งบวก Q4,R2,R19,R22 และ C16 ทำงานในฝั่งลบ ภาคขายแรงดันซึ่งประกอบด้วย Q9,Q10,Q11 และ Q12 เป็นวงจรขยายแบบคาสโคดเช่นกัน โดยมี D5,D6,D7,D8,R33 และ R34 จัดเป็นเป็นวงจรไบอัส R32 ทำหน้าที่ปรับบาลานซ์กระแสของวงจรทั้งสองซีกเพื่อให้จุดเอาต์พุตมีค่าเป็น 0V C17 และ C18 ทำหน้าที่ลดการตอบสนองความถี่สูงของภาคขายแรงดันเพื่อป้องกันการเกิดออสซิลเลท สัญญาณจะถูกส่งออกมาทางขา C ของ Q11,Q12 และมี R29 เป็นโหลด สัญญาณถูกส่งต่อไปยังภาคขยายกำลังโดยมี Q13 และ Q15 ต่อเป็น Input Buffer เพื่อให้อินพุตมีอิมพีแดนซ์สูงR37,R38,R39,R40,D3,D4,C20 และ C21 ทำหน้าที่เป็นวงจรไบอัสให้ภาคขยายกำลัง สัญญาณจะถูกส่งผ่าน R41 และ R42 ไปยังภาคขายกำลัง ประกอบไปด้วย Q14,Q16,Q18 และ Q19 จัดเป็นวงจรแบบ Compound เพื่อให้มีอัตราขายที่สูงขึ้น โดยมี Q17,R6,R43,R44 และ C6 เป็นวงจรควบคุมกระแสไบอัสและชดเชยอุณหภูมิ สัญญาณที่ถูกขยาย ออกทางขา C ของ Q18 และ Q19 จะถูกป้อนกลับด้วยเน็ทเวิร์ค R25,R26,R27,C5 และ C19 มายังเอาต์พุตของบัฟเฟอร์ที่อัตราขายเท่ากับ1ทำหน้าที่เสมือนเป็น Error Amp โดยคิดอัตราขยายจาก R26/R27 มีค่าประมาณ 18 เท่า หรือ ประมาณ 25dB L1,R51,R52 และ C24 เป็นวงจร Zobel Network เพื่อเสถียรภาพของวงจร
ปรัชญาการออกแบบ
ในวงจร C320 เดิมใช้เอาต์พุตทรานซิสเตอร์เบอร์ 2SC5200 และ 2SA1943 แต่ในโครงงานนี้จะเลือกใช้ทรานซิสเตอร์เอาต์พุต เบอร์ MJ15003 และ MJ15004 ซึ่งให้คุณสมบัติที่ดีกว่าหลายด้าน เพียงแต่มีราคาที่สูงกว่าเท่านั้น เพื่อช่วยเสริมเขี้ยวเล็บ และเพิ่มความเป็น Hi-End ให้กับโครงงานนี้จึง เลือกใช้คู่เอาต์พุตทรานซิสเตอร์ดังกล่าว ในส่วนของทรานซิสเตอร์ขยายสัญญาณขนาดเล็กใช้ตามวงจรเดิม ซึ่งมีคุณสมบัติที่ดีอยู่แล้ว นอกจากนั้นการออกแบบลาย PCB ยังให้ความสำคัญกับรายละเอียดเล็กๆน้อยๆจากรูปที่ 3 ลักษณะของ PCB ในโครงงานนี้จะออกแบบให้เส้นแทรกมีมุมโค้ง การออกแบบให้เส้นแทรกมีลักษณะนี้ได้รับการยอมรับอย่างแพร่หลายในการออกแบบเครื่องเสียงระดับ Hi-End ในส่วนของวงจรที่เกี่ยวข้องกับสัญญาณอนาล็อก

รูปที่3 ลาย PCB ที่ออกแบบให้เป็นเส้นโค้ง
การออกแบบโครงสร้างของ PCB จะให้เอาต์พุตทรานซิสเตอร์ยึดกับ PCB และฉากอะลูมิเนียมเพื่อที่จะนำไปยึดกับ ฮีตซิงค์ขนาดใหญ่ได้สะดวก ทำให้สามารถใช้กับฮีตซิงค์ได้หลายรูปแบบ ง่ายต่อการนำไปประยุกต์และจัดวางลงในแท่นตามที่ท่านต้องการ
การสร้าง
ในการประกอบ-สร้าง โครงงานนี้มีรายละเอียดส่วนที่สำคัญอีกอย่างคือ ในภาค Input Buffer ทรานซิสเตอร์ชนิดเดียวกันต้องคัดอัตราขยายให้มีความใกล้เคียงกันมากที่สุด และเชื่อมโยงอุณหภูมิให้ทรานซิสเตอร์ดังกล่าวมีค่าใกล้เคียงกันตลอดเวลาเพื่อให้อัตราการเพิ่ม-ลดอัตราขยายเป็นไปในทิศทางเดียวกัน ผลที่ได้คือค่าแรงดัน Output-Offset มีค่าต่ำและทำให้วงจรทำงานได้อย่างมีเสถียรภาพยิ่งขึ้น

รูปที่4 ทรานซิสเตอร์ในวงจรที่ต้องเชื่อมโยงอุณหภูมิ

รูปที่5 เทคนิคการเชื่อมโยงอุณหภูมิให้กับทรานซิสเตอร์ในภาค Input Buffer

รุปที่6 การสร้างขดลวด Zobel Network

รูปที่7วิธียึดเอาต์พุตทรานซิสเตอร์กับฉากอะลูมิเนียม
การทดสอบและปรับแต่ง
เมื่อประกอบอุปกรณ์ครบแล้วก็ถึงเวลาของการทดสอบ โดยโครงงานนี้ใช้แหล่งจ่ายไฟประมาณ +/-50Vdc ใช้กับหม้อแปลง 35-0-35 หรือ แรงดันค่าใกล้เคียง การทดสอบให้ต่อบอร์ดวงจรเพาเวอร์แอมป์เพียงข้างเดียว ไม่จำเป็นต้องอยู่ในแท่นเครื่อง ควรทดสอบการทำงานเบื้องต้นให้ได้ก่อนแล้วจึงลงแท่นภายหลัง เพื่อความสะดวกในการแก้ไขปัญหาที่อาจเกิดขึ้นนั่นเองครับ
วิธีทดสอบการทำงานของวงจร
1.ปรับ VR IDLE Adj.ไว้ที่ตำแหน่งทวนเข็มนาฬิกาจนสุด (เป็นการลดกระแสไอเดิ้ลไว้ต่ำสุด)
2.จ่ายไฟ+/-50Vdc เข้าบอร์ด
3.นำมิเตอร์ตั้งย่าน DC 50V วัดที่ขั้วลำโพง
4.เปิดสวิตซ์ สังเกตเข็มมิเตอร์ ต้องอ่านแรงดันเอาต์พุตได้ 0Vdc ถ้าเอาต์พุตไม่ได้ 0V ให้ตรวจสอบการลงอุปกรณ์ใหม่
5. นำดิจิตอลมัลติมิเตอร์ที่มีย่านแรงดันต่ำๆระดับ mV วัดแรงดันที่ขั้วเอาต์พุต
6.ปรับ VR Offset Adj. ให้แรงดันออฟเซ็ทมีค่าต่ำกว่า 10mV ถือว่าใช้ได้
7. ย้ายมิดตอร์มาวัดแรงดันตกคร่อม R 0.1 โอห์ม 3W
8. ปรับ VR IDLE Adj. ขึ้นจนอ่านแรงดันได้ 3mV (เป็นการตั้งกระแสสงบภาคเอาต์พุตไว้ที่ 30mA)
9. ปิดสวิตซ์เครื่อง ทดลองจ่ายสัญญาณเสียงดนตรีเข้าที่อินพุต และต่อลำโพงเพื่อทดลองฟังเสียง
10. ในระหว่างทดลองฟังเสียงให้วัดแรงดันที่ RE 0.1 โอห์ม เพื่อวัดค่ากระแสสงบเป็นระยะๆ โดยปกติถ้าอุณหภูมิฮีตซิงค์มีค่าสูงขึ้่นกระแสสงบอาจมีค่าลดลงบ้างเล็กน้อย แสดงว่าวงจรชดเชยอุณหภูมิมีการปรับลดกระแสสงบให้เอง
การต่อใช้งานเบื้องต้น

รูปที่8 ตัวอย่างการเดินสายไฟในระบบเสตอริโอ
รายการอุปกรณ์/1ข้าง
|
ค่าอุปกรณ์ |
ราละเอียด |
จำนวน |
|
0.1/100 |
Polyester Capacitor 0.1uF 100V |
7 |
|
*10/16 |
*C-Input Electrolytic 10uF 16V |
1 |
|
470pF/500 |
Ceramic Capacitor |
3 |
|
10/35 |
Electrolytic Capacitor |
2 |
|
100/63V,220/63V |
Electrolytic Capacitor |
4 |
|
100/25 |
Electrolytic Capacitor |
2 |
|
22pF500V |
Ceramic Capacitor |
2 |
|
*2200/6.3(470/25 แทน) |
*Electrolytic Capacitor (Negative Feedback Network) |
1 |
|
47/25 |
Electrolytic Capacitor |
2 |
|
0.1/250 |
Polyester Capacitor |
2 |
|
1N4746 |
Zener Diode 18V 1W |
2 |
|
1N4732 |
Zener Diode 4.7V 1W |
2 |
|
1N4148 |
Switching Diode |
4 |
|
1uH |
Inductor Zobel Network |
1 |
|
A970GR/A992 |
PNP Low Noise Amplifier |
4 |
|
C2240GR/C1845 |
NPN Low Noise Amplifier |
4 |
|
A1015GR/A1266 |
PNP General Purpose Amplifier |
1 |
|
C1815GR/C3198 |
NPN General Purpose Amplifier |
1 |
|
B647A/A916 |
PNP Transistor |
1 |
|
D667A/C2316 |
NPN Transistor |
1 |
|
B649AC/A1930 |
PNP Transistor |
2 |
|
D669AC/C5171 |
NPN Transistor |
2 |
|
BD139/MJE340 |
NPN Transistor |
1 |
|
MJ15004 |
Power Output Transistor |
1 |
|
MJ15003 |
Power Output Transistor |
1 |
|
220K |
Resistor 1/4W +/-5% |
3 |
|
470 |
Resistor 1/4W +/-5% |
2 |
|
22K |
Resistor 1/4W +/-5% |
1 |
|
10K |
Resistor 1/4W +/-5% |
2 |
|
100 |
Resistor 1/4W +/-5% |
1 |
|
82 |
Resistor 1/4W +/-5% |
5 |
|
10 |
Resistor 1/4W +/-5% |
4 |
|
39K |
Resistor 1/4W +/-5% |
4 |
|
33 |
Resistor 1/4W +/-5% |
2 |
|
1K2 2W |
Resistor 2W +/-5% |
1 |
|
150 |
Resistor 1/4W +/-1% |
1 |
|
47K |
Resistor 1/4W +/-5% |
1 |
|
47 |
Resistor 1/4W +/-5% |
1 |
|
100 |
Potentiometer 100 Ohm |
1 |
|
100K |
Resistor 1/4W +/-5% |
2 |
|
2K7 2W |
Resistor 2W +/-1% |
3 |
|
330 |
Resistor 1/2W +/-5% |
2 |
|
3R3 |
Resistor 1/2W 3.3 Ohm 1/2W +/-5% |
2 |
|
330,(390 แทน) |
Resistor 1/4W +/-5% |
1 |
|
VR 500R แทน |
Potentiometer 500 Ohm |
1 |
|
22 |
Resistor 1/2W +/-5% |
2 |
|
39 |
Resistor 1/2W +/-5% |
2 |
|
0R1/3W (RE) |
Non Inductive Resistor 0.1 Ohm 3W +/-5% |
2 |
|
10 2W |
Metal Oxide 2W +/-5% |
2 |
|
0 |
JUMPER 1/4W |
5 |
|
82 1W |
Resistor Carbon 5% |
2 |
|
PCB |
|
1 |
|
Heat sink |
อะลูมิเนียมฉาก หนา 5mm |
1 |
|
Screw 3x20mm |
สกรู 3x20mm |
4 |
|
Screw 3x8mm |
สกรู 3x8mm |
3 |
|
RING |
แหวนรองน็อต |
8 |
|
Nut3mm |
น็อตตัวเมีย |
4 |
|
Mica TO-3 |
แผ่นไมก้า TO-3 |
2 |
|
mica TO-126 |
แผ่นไมก้า TO-126 |
3 |
|
Bush |
บูชพลาสติกกันชอร์ต |
4 |
|
|
ตาไก่ทองเหลือง 2mm |
4 |
|
ตาไก่ทองเหลือง 1.5mm |
2 | |
|
|
ฟิวส์ 3A และขาฟิวส์ |
2 |