โดย Mr.K
เนื่องจากเป็นกระทู้ที่มีผู้เข้ามาชมอยู่ในอันดับต้นๆของเว็บ จึงขอหยิบมาเรียเรียงเป็นเนื้อหาเพื่อให้ดูง่ายยิ่งขึ้น โดยรวมแล้วเป็นการนำเสนอเนื้อหาด้วยภาพนะครับ
วันนี้มานำเสนอวิธีการประกอบเพาเวอร์แอมป์กลางแจ้ง กำลังสูง รุ่น Q-1850 ในระบบสเตอริโอ ท่านจะได้เห็นว่ากว่าจะมาเป็นเพาเวอร์แอมป์ที่ใช้งานได้นั้น มีวิธีการและรายละเอียดในการประกอบอย่างไรบ้าง เพื่อเป็นแนวทางสำหรับผู้ที่มีใจรัก และผู้ที่สนใจประกอบเพาเวอร์แอมป์กลางแจ้งวัตต์สูงๆด้วยตนเอง ถือซะว่าเป็นคู่มือประกอบแอมป์ฉบับย่อมๆ ถ้าศึกษาตรงนี้เข้าใจดีแล้วสามารถนำไปประยุกต์กับแอมป์ตัวต่อไปของท่านได้ไม่ยาก
สำหรับรายละเอียดโมดูลเพาเวอร์แอมป์ Q-1850 สามารถดูได้ที่รายการสินค้าของเราตามลิงค์http://www.evensaudio.com/market/product/101076

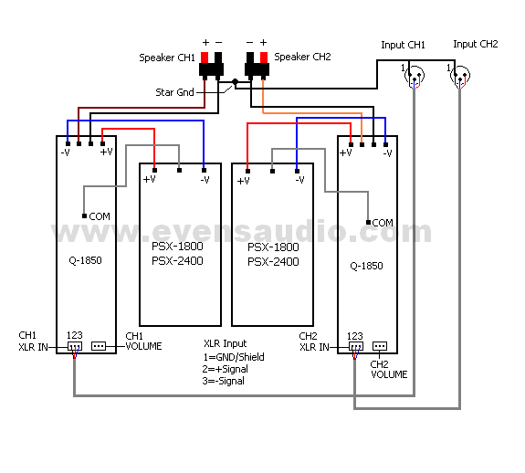
โครงสร้างการเดินสายไฟและระบบกราวด์ของ Q-1850 ที่ออกแบบไว้ เทคนิกการวางแผนระบบกราวด์แบบนี้ออกแบบมาสำหรับ Q-1850 โดยเฉพาะ จะสังเกตว่าเรากำหนด Star Ground ไว้ที่ตำแหน่งขั้วลำโพง เพราะ Q-1850 แต่ละข้างจะทำหน้าที่สร้างกราวด์ จุดร่วมกราวด์ของระบบทั้งสองจะถูกต่อกันที่ขั่วลำโพง จุดนี้จึงกลายเป็น Star Ground แต่ถ้าเป็นระบบ Single Power Supply จุด Star Ground มักถูกกำหนดให้อยู่บริเวณตัวเก็บประจุภาคจ่ายไฟ ถ้าผู้ประกอบเพาเวอร์แอมป์ยังไม่ชำนาญถึงขั้นวิเคราะห์ระบบกราวด์ได้อย่างถูกวิธี จำเป็นอย่างมากที่ท่านต้องปฎิบัติตามแนวทางที่เราออกแบบมาไว้อย่างรัดกุม เพื่อป้องกันการเกิดปัญหาระบบกราวด์ที่ไม่สมบูรณ์

อุปกรณ์ที่ใช้สำหรับประกอบเพาเวอร์แอมป์ รุ่นQ-1850 ในครั้งนี้
1.โมดูลเพาเวอร์แอมป์ Q-1850 จำนวน 2 ชิ้น
2.สวิตชิ่งเพาเวอร์ซัพพลาย PSX-2400I จำนวน 2 ชิ้น
3.แท่น รุ่น S2012 2Uลึก 16นิ้ว (ร้าน ก.วัฒนา)
4.พัดลม 3 นิ้ว 12V จำนวน 4 ตัว
5.ไบดิ้งโพส จำนวน 2 ตัว
6.สปีคค่อน จำนวน 2 ตัว
7.แจ๊กโฟน 6 ขา จำนวน 4 ตัว
8.แจ๊กบาลานซ์อินพุต จำนวน 2 ตัว
9.สวิตซ์ Mono หลังแท่น จำนวน 1 ตัว
10.สายไฟ AC +ปลั๊ก จำนวน 1 เส้น
11.สวิตซ์ Power จำนวน 1 ตัว
12. ลูกบิดหน้าแท่น จำนวน 2 ตัว
13.กระบอกฟิวส์ จำนวน 3 ตัว
14.บอร์ด LED Display จำนวน 1 ตัว
15.สกรู M3*6 จำนวน 28 ตัว
16.แหวนรองน๊อต จำนวน 12 ตัว
17. สกรู M3*10 จำนวน 16 ตัว
18.น๊อตตัวเมีย M3 จำนวน 16 ตัว
19.สกรู M4*6 จำนวน 6 ตัว
20.เสารอง PCB ทองเหลือง 10mm จำนวน 12 ตัว
21.เสารอง PCB ทองเหลือง 12mm จำนวน 2 ตัว
22.อื่นๆ สายไฟ ตะกั่วบัดกรี ท่อหด หางปลา กาวยาง เคเบิ้ลไทน์ ฯลฯ
หลังจากที่ได้อุปกรณ์มาครบแล้วก็เริ่มลงมือ ถอดชิ้นส่วนแท่นแอมป์ออกให้เหลือเฉพาะแผ่นล่าง เราจะมาเริ่มเจาะแท่นกัน ก่อนอื่นก็ต้องเอาบอร์ดสวิตชิ่ง และโมดูลเพาเวอร์แอมป์วางๆ ใช้จิตนาการดูว่าวางลักษณะใดแล้วจะเดินสายไฟง่าย ถูกหลักการ ทั้งเรื่องการระบายความร้อน และลดสัญญาณรบกวน ตอนนี้ผมก็ได้แบบสำหรับแท่น Q-1850 เรียบร้อยแล้ว เราจะเริ่มมาร์คจุดและตอกนำศูนย์ก่อนเจาะทุกครั้งเพื่อความเที่ยงตรงในการเจาะ

ใช้ดอกสว่านขนาดใหญ่กว่า 3mm ซักเล็กน้อย เพื่อเวลาเราเจาะตำแหน่งผิดพลาด ความใหญ่ของรูเจาะจะช่วยให้เสารอง PCB ขยับได้เล็กน้อย เพื่อชดเชยความผิดพลาด แนะนำเส้นผ่าศูนย์กลางของดอกสว่านอย่างน้อยควร 3.2mm และไม่ควรเกิน 3.5mm

เจาะเสร็จแล้วก็ทำความสะอาด และลบคมรูเจาะด้วยการใช้ดอกสว่านขนาดใหญ่กว่ารูเจาะลบคมเบาๆ


ต่อมาติดตั้งพัดลม ผมจะใช้กาวยางในการยึดน๊อตตัวเมียใว้ จากที่ประกอบมาถ้าไม่ใช้กาวยึดไว้จะใส่น๊อตตัวเมียากมาก การยึดด้วยกาวไม่ได้หวังว่ากาวจะติดแน่นแข็งแรง แต่เพื่อความง่ายในการร้อยน็อตตัวผู้เท่านั้น สำหรับท่านที่ใช้สกรูสำหรับพัดลมจะง่ายมาก แต่แท่นในตลาดบ้านเราเจะรูยึดพัดลมมาขนาดเล็กเกินไปที่จะใช้กับสกรูสำหรับพัดลม ต้องเจาะรูพัดลมเพิ่มเอง






ขั้นตอนต่อไปคือติดตั้ง สปีคค่อน มั่นใจลือกใช้ NEUTRIK

แจ๊กบาลานซ์อินพุต

การติดตั้งสปีคค่อนใช้วิธีการเดียวกันกับการติดตั้งพัดลม

ติดตั้งกระบอกฟิวส์ ใช้ประแจเบอร์ 16 ระวังน้ำหนักมืออย่าขันแน่นจนเกินไป เพราะกระบอกฟิวส์อาจแตกได้

ติดตั้งไบดิ้งโพส ผมจะกลับด้านพลาสติก เพราะแท่นเหล็กค่อนข้างบางถ้าไม่กลับด้านชิ้นส่วนนี้ เราจะยึดไบดิ้งโพสไม่แน่น การขันน๊อตด้วยประแจ ควรระวังน้ำหนักมือด้วย เอาให้แน่นในระดับหนึ่งก็พอ

ติดตั้งเคเบิ้ลแกรนด์ และสาย AC ผมเลือกที่จะใช้สาย AC 3เส้น โดยมีสายดินเพิ่มมาอีก 1 เส้นบัดกรีติดหางปลาเปลือยไว้ลงแท่น การมีสายดินจำเป็นมากในระบบเสียงมืออาชีพ เพื่อความปลอดภัยของผู้ใช้งานและความเป็นมาตรฐาน

ติดตั้ง Ground Plate เลือกใช้แผ่นทองแดงเชื่อมต่อขั้ว(-)ลบ ของลำโพงให้ถึงกัน ในระบบเพาเวอร์แอมป์ที่เอาต์พุตเป็นกราวด์อย่าง Q-1850 จุดนี้จะทำหน้าที่เป็น Star Ground ตามที่เราออกแบบโครงสร้างระบบกราวด์ไว้ตั้งแต่ตอนแรก

เดินสายไฟ AC และสายลำโพงเตรียมไว้

ติดตั้งเสารอง PCB 10mm ที่เลือกใช้เสาทองเหลืองเพราะสวิตชิ่ง PSX-2400I มีจุดลงกราวด์แท่นที่ต้องเชื่อมโยงผ่านเสา PCB โลหะ ที่สำคัญเสา PCB ชนิดนี้มีความแข็งแรง ง่ายในการประกอบ และซ่อมบำรุง

ด้านล่างของแท่นจะใช้แหวนรอง ยึดเสารอง PCB ด้วยสกรู M3*6 ไม่ต้องขันแน่นมากรอตอนยึดบอร์ดสวิตชิ่งเพาเวอร์ซัพพลายเสร็จครบทุกจุดแล้วค่อยขันสกรูย้ำอีกที

การติดตั้งเสารอง PCB สำหรับสวิตชิ่งควรติดตั้งให้ครบทุกจุด หรือเน้นในบริเวณที่รับน้ำหนักอุปกรณ์มากๆ เพราะถ้าติดไม่ครบ PCB จะสามารถโก่งตัว หรือบิดงอได้ เมื่อใช้ไปนานๆหรือขนย้ายเครื่องบ่อยๆ การยึดเสารอง PCB ไม่ครบจะทำให้เกิดความเสียหายของลายแทร็กบริเวณขาหม้อแปลง เมื่อเกิดแรงสะสมเป็นเวลานาน ซึ่งหม้อแปลงสวิตชิ่งเป็นชิ้นส่วนที่มีน้ำหนักมากที่สุดบน PCB

มาถึงขั้นตอนนี้ก็พร้อมที่จะติดตั้งสวิตชิ่งเพาเวอร์ซัพพลายลงไปแล้วครับ
ก่อนจะติดตั้งสวิตชิ่ง PSX-2400I ลงไปต้องทำการดซ็ทระบบกราวด์ก่อน สำหรับทางฝั่งเอาต์พุต จะเซ็ทให้กราวด์ แหล่งจ่ายไฟทุกชุดให้ลอยอิสระจากกันไว้ดังภาพ

ต่อไปเป็นระบบสายดิน สำหรับท่านที่เน้นความปลอดภัยติดตั้งสายดินแล้วอยากให้เซ็ทระบบสายดินของสวิตชิ่งเพาเวอร์ซัพพลายให้ลงแท่นเครื่องไว้ การมีสายดินจะช่วยลด EMI ของสวิตชิ่ง ที่อาจไปปนกับ AC ไลน์ไปรบกวนอุปกรณ์ตัวอื่นได้ ดังนั้นเพาเวอร์แอมป์ที่แหล่งจ่ายเป็นสวิตชิ่งเพาเวอร์ซัพพลายจะให้ความสำคัญกับระบบสายดินมาก ถามว่าไม่มีเครื่องใช้ได้ไหม ตอบได้ครับไม่กวนไม่จี่หรือฮัม แต่ระบบมันจะสมบูรณ์ และปลอดภัยกว่าถ้าเราจัดการอย่างถูกวิธี

หลังจากติดตั้งสวิตชิ่งลงไปแล้ว ก็นำสายดินมาขันลงแท่น อาจจะเจาะรูแท่นไว้เพื่อสายดินโดยเฉเพาะก็ได้ เพื่อความแน่นหนา

เมื่อติดตั้งสวิตชิ่งเพาเวอร์ซัพพลายเสร็จแล้ว

ติดตั้งพัดลมด้านหน้าแท่น ใช้แทปกาว 2 หน้าในการยึดพัดลมกับแท่น จากประสบการณ์ใช้เทปกาว2หน้าเป็นวิธีที่สะดวก และแข็งแรงดี ไม่มีปัญหาในการใช้งาน

ติดตั้งพัดลมเสร็จแล้ว บัดกรีสายไฟพัดลมทั้ง 2 เข้าด้วยกัน ปลายสายเข้าหัวกับ Housing เพื่อเอาไว้เสียบกับชุดไฟย่อยพัดลม 12V บนสวิตชิ่ง

เมื่อติดตั้งพัดลม และสายไฟเสร็จแล้ว

มาต่อกันในส่วนของ Display หน้าแท่น ผมใช้บอร์ด Display ของวงจรป้องกันลำโพง PT-230B หากท่านไม่มีบอร์ด Display อาจใช้วิธีบัดกรีสายไฟต่อเข้ากับขาของ LED ก็ได้เช่นเดียวกัน ในตัวอย่างนี้ผมใช้สายแพร 7 เส้น

ด้านหลัง ต้องตัดลาย PCB ออก

สายแพรจะถูกเข้าหัว และเสียบลงบน Terminal ตามจุดต่างๆ

ส่วนไฟแสดง Power ต้องต่อมาจาก +12V ของป้องกันลำโพงด้วยวิธีดังภาพนี้

หลังจาก ส่วนของ Display เสร็จแล้วมาต่อกันที่สายชิลด์

สายชิลด์ที่ใช้กับโวลุ่ม

ภาพรวม

การมี Terminal แบบเสียบทำให้เกิดความสะดวกในการประกอบ และซ่อมบำรุง

นำแผ่นหน้ามาติดตั้งโวลุ่มและสวิตซ์ให้เรียร้อย

สวิตซ์เปิด-ปิดเครื่องงานนี้เลือกที่จะบัดกรีหุ้มท่อหด เพราะส่วนนี้คงไม่ได้ถอดบ่อยๆ ไล้ตะกั่วที่สายไฟ และที่ขั้วต่อสวิตซ์ก่อนบัดกรี

สายไฟสำหรับสวิตชิ่งเพาเวอร์ซัพพลาย 2 ชุดพร้อมแล้ว

เครื่องมือสำหรับใช้ย้ำหางปลา

ผลงานที่ออกมา ต้องแน่นไม่หลุดหลวม

ถึงคิวกาวยางอีกครั้ง

ป้ายกาวยางบริเวณฐานของ LED อย่าใด้เลอะด้านหน้าหลอดเดี๋ยวไม่สวย

ติดลงไปในหลุม LED หน้าแท่น รอกาวแห้งพอหมาดๆค่อยทำงานต่อ หรือทำงานอย่างอื่นรอไปก่อน

หน้าปัดเพาเวอร์แอมป์ที่ติดอุปกรณ์เสร็จแล้ว พร้อมยึดสกรูแผ่นหน้าลงไป

เรียบร้อยแล้ว จัดการเสียบสายไฟ Terminal ตามจุดต่างๆ

จัดการสายสัญญาณ และสวิตซ์ Parallel ด้านหลังแท่นให้เรียร้อย ถ้าอยากให้สวยงามกว่านี้อาจใช้แผ่น PCB สำหรับ Parallel ที่มีขายทั่วไปก็ได้

เมื่อทุกอย่างพร้อมแล้ว ถอดฟิวส์ในบอร์ดสวิตชิ่งทั้งสองออกเสียก่อน และอย่าลืมใส่ฟิวส์ที่กระบอกฟิวส์ท้ายแท่น เดี๋ยวจะงง ทำไมเปิดเครื่องไม่ติด(เหตุการณ์นี้เจอบ่อยครับ)

การเปิดเครื่องครั้งแรก ควรตรวจทานสายไฟจุดต่างๆอย่างละเอียด นำเครื่อเป่าลม (Blower) มาเป่าเศษผงตะไบ เศษสายไฟที่อาจหลงเหลืออยู่ให้สะอาด นำหลอดใส้ 100W ต่อแทนฟิวส์สวิตชิ่งที่ถอดออก แล้วทดลองเปิดสวิตซ์ สังเกตหลอดไฟครั้งแรกหลอดไฟจะสว่างเนื่องจากการชาร์ต C ตัวใหญ่ยังไม่เต็มและหลอดไฟจะค่อยๆหรี่ลง และจะได้ยินเสียงรีเลย์ วงจร Soft-Start ON ตามมาด้วย รีเลย์ป้องกันลำโพง ON ในเวลาต่อมา เป็นอันว่าผ่าน ในระหว่างนี้หลอดไฟจะหรี่ลง แปลว่าไม่มีการดึงกระแสมาก

เมื่อเสร็จเรียบร้อยดีทั้งสองข้าง ใส่ฟิวส์ลงไปในสวิตชิ่งทั้งสอง
บัดนี้เครื่องพร้อมร้องเพลงแล้ว เหลือขั้นตอน QC ตั้งค่ากระแสสงบ และวัดกำลังเอาต์พุต ซึ่งจะนำเสนอต่อในภาคหน้าครับผม

ตรียมเครื่องมือสำหรับการ QC ตรวจสอบการทำงานของเครื่อง การตั้งค่ากระแสสงบ และวัดกำลังเอาต์พุตก่อนที่จะส่งสินค้าไปยังผู้ใช้งาน ปกติเพาเวอร์แอมป์ระบบ Stereoทั่วไปที่ใช้แหล่งจ่ายไฟร่วมกัน เมื่อเปิดใช้งานทั้งสองข้างพร้อมกัน กำลังเอาต์พุตจะลดลงจากเดิมจากที่ใช้งานเพียงข้างเดียว แต่กรณีของ Q-1850 จะไม่เป็นเช่นนั้น เพราะว่าเพาเวอร์แอมป์ Q-1850 เครื่องนี้ทำงานในระบบ Dual Mono ทั้งสองแชนแนล มีแหล่งจ่ายไฟเป็นของตนเอง จึงสามารถวัดกำลังเอาต์พุตได้ทีละข้าง โดยไม่มีผลในเรื่องของกำลังที่ตกจากการใช้แหล่งจ่ายไฟร่วมกัน

ต่อจากนี้จะเป็นการนำเสนอวิธีปรับค่ากระแสสงบที่มองเห็นภาพชัดเจนกันเลยว่า ปรับแล้วความเพี้ยนได้หายไปต่อหน้าต่อตา เริ่มจากต่อโหลดเทียมค่า 8 หรือ 4 โอห์ม ก็ได้ นำโพรปของ Oscilloscope มาจับที่ขั้วลำโพง และจ่ายสัญญาณ Audio ไซน์เวฟความถี่ 20kHz เข้าที่อินพุต

ค่อยๆเร่งสัญญาณขึ้นมาเบาๆ ไม่ต้องใช้ระดับสัญญาณแรงมาก เพราะเราจะมองเห็นความเพี้ยนไม่ชัดเจน ถ้าเราปรับค่ากระแสสงบน้อยเกินไปจะมองเห็นความเพี้ยนรอยต่อดังรูป เหตุผลที่ใช้ความถี่ 20kHz เพราะว่าในความถี่สูงจะมองเห็นความเพี้ยนรอยต่อชัดเจนมากกว่าที่ความถี่ต่ำ และเป็นความถี่สูงสุดที่หูคนเราได้ยินนั่นเอง

เมื่อเห็นค่าความเพี้ยนแล้วอดคันไม้คันมืออยากกำจักมันออกไปจากชีวิต ใช้ไขควงเล็กๆหมุน POT ขึ้นตามเข็มนาฬิกาจากเดิมที่อยู่ประมาณ 10 นาฬิกา มาที่ 12 นาฬิกา เนื่องจากพื้นที่ค่อนข้างคับแคบในการปฏิบัติงาน หากต้องการความปลอดภัยบางครั้งก็ไม่จำเป็นต้องปรับตอนเครื่องทำงานอยู่ ก็สามารถปิดเครื่อง แล้วใช้ไขควงปรับ POT ขึ้นทีละนิด หลังจากนั้นปิดเครื่อง เร่งสัญญาณขึ้น และสังเกตความเปลี่ยนแปลงบนจอสโคป จนได้รูปสัญญาณไม่มีความเพี้ยนรอยต่อออกมาเป็นที่น่าพอใจก็ได้เช่นกัน

เห็นได้ชัดว่าความเพี้ยนที่เคยพบได้ค่อยๆเลือนลางหายไป เพียงเท่านี้ก็มั่นใจได้เลยว่า เครื่องขยายเสียงที่เราประกอบขึ้นไม่ได้เป็นตัวสร้างความเพี้ยนออกมาให้รำคาญหูอีกแล้ว

สำหรับท่านที่ไม่มีออสซิลโลสโคปวัดดูรูปสัญญาณ ผมจะนำเสนอวิธีง่ายๆโดยการวัดแรงดันตกคร่อม B-E ของเอาต์พุตทรานซิสเตอร์แทน เมื่อเราปรับกระแสขึ้นจนได้ที่แล้ว ผมได้บันทึกค่าแรงดัน VBE ของเอาต์พุตทรานซิสเตอร์ที่ทำให้ Distortion หายไปไว้แล้ว เราสามารถนำค่าแรงดัน VBE นึ้มาอ้างอิงการปรับกระแสสงบในครั้งต่อไปได้

ค่าแรงดัน VBE เอาต์พุตทรานซิสเตอร์สำหรับโมดูล Q-1850 คือ ประมาณ 0.5V ถ้าท่านปรับกระแสสงบขึ้นจนแรงดัน VBE มีค่า 0.5Vdc ก็เท่ากับว่าท่านได้กำจัดความเพี้ยนรอยต่อหมดไปแล้วดังที่นำเสนอมาแต่ต้น ค่านี้ใช้ไม่ได้กับทุกวงจร แต่ก็พอจะอนุโลมใช้ได้ บางคนถามว่าจะปรับกระแสสงบไว้ที่กี่ mA ดี จริงแล้วเป้าหมายของการปรับกระแสสงบคือทำให้ความเพี้ยนรอยต่อหายไป ไม่สำคัญว่าควรจะเป็นกี่ mA เท่าไรนัก ตัวเลขที่ให้มาในตำรา 20-30mA เป็นเหมือนไกด์นำทาง วิธีการที่จะทำให้ค่าความเพี้ยนรอยต่อที่เราเห็นในจอออสซิลลโสโคปได้หายไป หรือบางคนอาจมีหูเป็นดังเครื่องมือชั้นยอด สามารถฟังความเพี้ยนรอยต่อออก ก็สามารถใช้หูเป็นเครื่องมือในการช่วยตัดสินใจในการปรับกระแสสงบได้ไม่ยาก เคล็ดลับวิธีการฟังให้ได้ยินความเพี้ยนคือ ให้เปิดเพลงฟังในระดับที่เบาที่สุด สัดส่วนของความเพี้ยนต่อสัญญาณดนตรีจะมากเมื่อเราเปิดเพลงเบาๆ ทำให้เรายินความเพี้ยนได้ชัด ความเพี้ยนมักมีความถี่สูงกว่าความถี่หลัก จะฟังออกได้ง่ายที่ลำโพงทวีเตอร์
สุดท้ายนี้ท่านจะเลือกวิธีการปรับกระแสสงบแบบใดก็ได้ เพราะบางครั้งการใช้งานเพาเวอร์แอมป์ก็มีส่วนในการที่ผู้ประกอบเพาเวอร์แอมป์ ต้องกล้าตัดสินใจ เช่นเครื่องขยายเสียงที่นำไปใช้ในความดังระดับสูงๆตลอดเวลา หรือในงานกระจายเสียง อาจไม่จำเป็นต้องพิถีพิถันเหมือนเพาเวอร์แอมป์ที่ใช้ฟังภายในบ้านก็ได้

มาถึงเรื่องของการวัดกำลังเอาต์พุตเริ่มที่ 8 โอห์มกันก่อน ดัมมี่โหลดขนาด 4 โอห์ม 600 วัตต์ อนุกรมกัน ต่อแทนลำโพงส่วนสายโพรปของออสซิลลโสโคปยังอยู่ตำแหน่งเดิม การวัดค่ากำลังเอาต์พุตในครั้งนี้จะใช้ความถี่ 1kHz

กำลังเอาต์พุตที่โหลด 8 โอห์มขณะสัญญาณยังไม่คลิป วัดได้ 462 Wrms

กำลังเอาต์พุตที่โหลด 8 โอห์ม ขณะสัญญาณเอาต์พุตเริ่มคลิป วัดได้ 526.5 Wrms

ตามมาด้วย 4 โอห์ม ดัมมี่โหลดขนาด 4 โอห์ม 600 วัตต์ ต่อแทนลำโพงส่วนสายโพรปของออสซิลลโสโคปยังอยู่ตำแหน่งเดิม การวัดค่ากำลังเอาต์พุตในครั้งนี้จะใช้ความถี่ 1kHz เช่นเดิม

กำลังเอาต์พุตที่โหลด 4 โอห์มขณะสัญญาณยังไม่คลิป วัดได้ 803.7 Wrms

กำลังเอาต์พุตที่โหลด 4 โอห์มขณะสัญญาณเริ่มคลิป วัดได้ 933.3 Wrms

สุดท้ายการทดสอบที่ 2 โอห์ม ดัมมี่โหลดขนาด 4 โอห์ม 600 วัตต์ ขนานกัน ต่อแทนลำโพงส่วนสายโพรปของออสซิลลโสโคปยังอยู่ตำแหน่งเดิม การวัดค่ากำลังเอาต์พุตในครั้งนี้จะใช้ความถี่ 1kHz เช่นเดิม

กำลังเอาต์พุตที่โหลด 2 โอห์ม ขณะสัญญาณเอาต์พุตยังไม่คลิป วัดได้ 1315 Wrms

กำลังเอาต์พุตที่โหลด 2 โอห์ม ขณะสัญญาณเอาต์พุตเริ่มลิป วัดได้ 1507 Wrms

สรุปกำลังเอาต์พุตของ Q-1850 ดังนี้
8 Ohm 450 Wrms /CH
4 Ohm 800 Wrms /CH
2 Ohm 1,300 Wrms /CH
สำหรับท่านใดที่ซื้อโมดูลเพาเวอร์แอมป์รุ่น Q-1850 จากเราไปประกอบ โมดูลจะถูกตั้งค่ากระแสสงบ และ QC ก่อนส่งสินค้าแล้ว ท่านเพียงเดินสายไฟ หรือจัดระบบให้ได้ดังตัวอย่างเพาเวอร์แอมป์ Q-1850 ก็พร้อมแสดงศักยภาพให้ท่านเห็น กรณีที่ใช้หม้อแปลง อย่าลืมว่าเพาเวอร์แอมป์ชุดนี้จำเป็นต้องแยกแหล่งจ่ายไฟของข้างซ้ายและขวาออกจากกันโดยอิสระ หากมีข้อสงสัยในการต่อใช้งาน กรุณาติดต่อสอบถามข้อมูลให้ละเอียดจากผู้ผลิต